Kraftstofffilter?

Die wohl interessanteste Kategorie. Ihr habt Probleme mit Eurem Peugeot? Die Werkstatt weiss mal wieder nicht weiter? Das Handbuch gibt auch nichts mehr her? Na dann, stellt Eure Frage hier rein.
Antworten
Lodah
STVO-Fan
Beiträge: 8
Registriert: Di 06.09.11 19:46
Postleitzahl: 57789
Land: Deutschland

Kraftstofffilter?

Beitrag von Lodah » Do 27.10.11 17:14

Hey,
wollte mal sone Inspektion bei meinem 406 Coupe durchführen, habe auch soweit alle Filter gefunden, bis auf den Kraftstofffilter :pueh:

Weiß einer wo der sitzt???

Daten:
406 Coupe
2.0 16V 136Ps
Bj.: 2001


Gruß

Benutzeravatar
406 D
Spätzünder
Beiträge: 1665
Registriert: Di 11.11.03 00:00
Postleitzahl: 26632
Land: Deutschland
Wohnort: ihlow

Re: Kraftstofffilter?

Beitrag von 406 D » Do 27.10.11 17:38

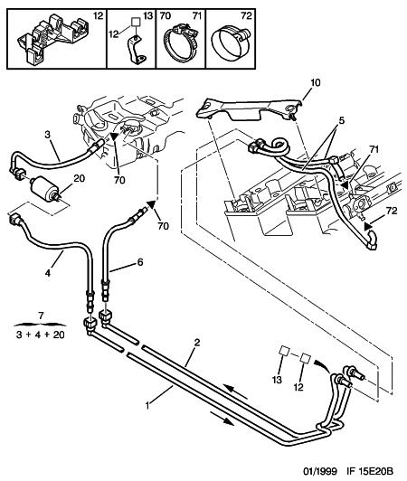
benzinfilter 406.jpg
moin,

den findest du hinten am tank, beifahrerseite unten, nr. 20.

wenn du den wechselt geht ganz gern diese halteschlaufe hopps weil mit der zeit brüchig, dann nimm kabelbinder und mach ihn an der spritleitung fest. die anschlüsse sind gesteckt, am besten mit ner alten zahnbürste die sache reinigen dann siehst du die weißen klammern, reindrücken und abziehen.

die hände werden von allein sauber durch das benzin was dabei herausläuft.

andreas

Lodah
STVO-Fan
Beiträge: 8
Registriert: Di 06.09.11 19:46
Postleitzahl: 57789
Land: Deutschland

Re: Kraftstofffilter?

Beitrag von Lodah » Fr 28.10.11 23:54

ah okay danke.

Habe eigt schon von unten geguckt!? Hmm vlt nicht geshen, gucke morgen noch mal.


danke

Sonntagsfahrer
Benzinsparer
Beiträge: 386
Registriert: Sa 27.01.07 15:24
Land: Deutschland
Wohnort: kiel

Re: Kraftstofffilter?

Beitrag von Sonntagsfahrer » Sa 29.10.11 00:06

Nicht alle haben einen Externen Kraftstoffilter.
Bei einigen sitzt der im tank und hat kein Wartungsinterwall.

PEJOT

Re: Kraftstofffilter?

Beitrag von PEJOT » Sa 29.10.11 09:15

Sonntagsfahrer hat geschrieben:Nicht alle haben einen Externen Kraftstoffilter.
Bei einigen sitzt der im tank und hat kein Wartungsinterwall.

Der XU10J4R hat immer einen Benzinfilter ausserhalb des Tanks!!!

Benutzeravatar
peugeot-fan91
Randsteinstreichler
Beiträge: 1436
Registriert: Do 08.04.10 14:46
Land: Deutschland

Re: Kraftstofffilter?

Beitrag von peugeot-fan91 » Sa 29.10.11 13:28

hier geht es aber wohl um den EW10J4
406 Coupe - einfach anders.


sämtliche Werkstatt-Reparaturanleitungen fürs Peugeot 406 Coupe hab ich hier hochgeladen:

D8:http://www.mediafire.com/?to5jbro1dk0nstx

D9:http://www.mediafire.com/?v55fubjd8q4wy93

Viel Spaß und Erfolg damit!

Sonntagsfahrer
Benzinsparer
Beiträge: 386
Registriert: Sa 27.01.07 15:24
Land: Deutschland
Wohnort: kiel

Re: Kraftstofffilter?

Beitrag von Sonntagsfahrer » Sa 29.10.11 13:35

Richtig, nur das erste Model vom 406 Coupe hat nen XU10J4R drinne, die neueren haben nen EW-Motor.
Also bevor mann bestellt erstmal nachsehen, ob er einen hat oder nicht.


Mfg. der Sonntagsfahrer

Antworten