Rammschutzleiste CTI

Die wohl interessanteste Kategorie. Ihr habt Probleme mit Eurem Peugeot? Die Werkstatt weiss mal wieder nicht weiter? Das Handbuch gibt auch nichts mehr her? Na dann, stellt Eure Frage hier rein.
Antworten
Benutzeravatar
DrillingPuG
ATU-Tuner
Beiträge: 72
Registriert: Mo 31.05.10 21:20
Postleitzahl: 56132
Land: Deutschland
Wohnort: Nähe Koblenz

Rammschutzleiste CTI

Beitrag von DrillingPuG » Mo 01.12.14 20:49

Hallo Freunde,

wie bekomme ich die Verbreiterung an den vorderen Kotflügeln runter. Hinten und an der Tür kein Problem. Vorne scheitere ich schon an der schmalen Aluzierleiste. Habe die schon ein wenig deformiert :hilflos:
VW T3 Westfalia / 84
Peugeot 205 CTI / 91
Peugeot 205 XS / 91 (verkauft 2020)
Peugeot 205 RG 91 (verkauft 2020)
Peugeot 205 RG Cabriolet 94 (verkauft 2020)
Peugeot 205 Junior / 89 (7000 km!) ist auch verkauft
Vespa PX 200 E / 83

Benutzeravatar
sub
Speed-Junkie
Beiträge: 3810
Registriert: Sa 27.11.04 20:51
Land: Deutschland
Wohnort: Main-Kinzig-Kreis

Re: Rammschutzleiste CTI

Beitrag von sub » Mi 03.12.14 10:10

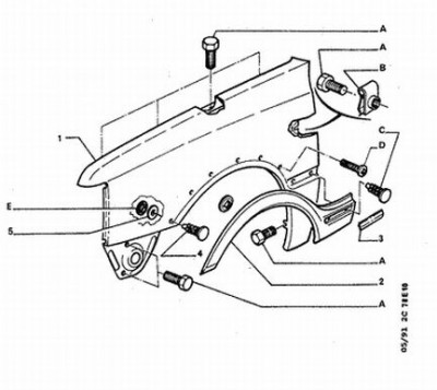
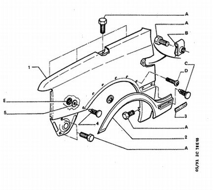
Am besten zieht man die Aluleisten zusammen mit der Kotflügelverbreiterung ab. Die sind mittels Pin durchgesteckt und halten diese gleichzeitig mit der Aluleiste.
Vorne in der Stoßstange sind 2 fiese runde Klammern, aufknipsen oder unter leichtem Zug mit einem Schlitzschraubendreher bewegen, damit diese sukzessive runterkommen.
Der Rest ist gesteckt, aber richte dich drauf ein das dir ein paar der tollen Plastikdübel kaputt gehen.

Am besten Rad ab und sauber machen, dann siehst du von hinten auch wie alles befestigt ist.
Gruß
Stephan

Benutzeravatar
sub
Speed-Junkie
Beiträge: 3810
Registriert: Sa 27.11.04 20:51
Land: Deutschland
Wohnort: Main-Kinzig-Kreis

Re: Rammschutzleiste CTI

Beitrag von sub » Mi 03.12.14 10:13

kf1.JPG
Die vorderen beiden Metallringe sind auf dem Bild nicht zu sehen, diese sind von innen in der Stoßstange!
Gruß
Stephan

Benutzeravatar
mrx0001
Rückwärtseinparker
Beiträge: 4363
Registriert: Sa 11.09.04 12:02
Land: Deutschland
Wohnort: Kiel
Kontaktdaten:

Re: Rammschutzleiste CTI

Beitrag von mrx0001 » Mi 03.12.14 18:54

diese runden scheiben kricht man am besten runter indem man die "zähne" aufbiegt. mit nem kleinen schrauben dreher in die schlitze und einfach etwas hebeln.

wenn die runter sind kann man die einfach wieder gerade kloppen z.b. mit ner verlängerung oder kleinen stecknuss.
205 xs 1,4l tu3m (TU 205)
205 ?? 1,4l tu3m ( X 205)

Benutzeravatar
DrillingPuG
ATU-Tuner
Beiträge: 72
Registriert: Mo 31.05.10 21:20
Postleitzahl: 56132
Land: Deutschland
Wohnort: Nähe Koblenz

Re: Rammschutzleiste CTI

Beitrag von DrillingPuG » Mi 03.12.14 21:52

Vielen Dank für die Tipps, dann werde ich am Wochenende nochmal probieren. Ist aber eigentlich viel zu kalt zum Schrauben :gruebel:
VW T3 Westfalia / 84
Peugeot 205 CTI / 91
Peugeot 205 XS / 91 (verkauft 2020)
Peugeot 205 RG 91 (verkauft 2020)
Peugeot 205 RG Cabriolet 94 (verkauft 2020)
Peugeot 205 Junior / 89 (7000 km!) ist auch verkauft
Vespa PX 200 E / 83

Benutzeravatar
Kris
Urgestein
Beiträge: 16171
Registriert: Mi 21.03.01 00:00
Land: Deutschland

Re: Rammschutzleiste CTI

Beitrag von Kris » Do 04.12.14 08:26

machs nicht bei der kälte. das zeug ist so spröde, dass es schnell reisst.
bau das ding ab wenns warm ist. ne schonende methode gibts leider nicht. die kurzen leisten bekommt man wirklich nur knitterfrei raus, wenn man sie samt radlauf abzieht.
the 3 things you can't fake in life: creativity. competence. erections.

Antworten