Die wohl interessanteste Kategorie. Ihr habt Probleme mit Eurem Peugeot? Die Werkstatt weiss mal wieder nicht weiter? Das Handbuch gibt auch nichts mehr her? Na dann, stellt Eure Frage hier rein.
-
yusufsayydina
- Serien-Wagen-Fahrer
- Beiträge: 4
- Registriert: Mi 16.09.15 17:34
- Postleitzahl: 70435
- Land: Deutschland
Beitrag
von yusufsayydina » Mi 16.09.15 17:39
Hallo,
Ich habe einen Peugeot 307sw HDI 110 mit 155000km Bj.2003
Folgendes Problem:
Manchmal kann mein Wagen nicht die volle Leistung abrufen und ich höre dieses Typische Zischen vom Torbolader nicht mehr und er Druck vom Turbolader ist weg. Der Wagen dreht zwar hoch (auch über 3000rpm), aber es ist kein Druck dahinter. Ich kann dann nicht gut beschleunigen und komme auf der Autobahn bergauf nicht über 130 bei Vollgas. Das Notlaufprogramm ist nicht aktiv und die MKL leuchtet nicht.
Das tritt gelegentlich auf gleich nach dem Starten, oder während der Fahrt.
Und manchmal ruft er ganz normal die volle Leistung ab, allerdings nur bis 3000rpm. Danach ändert sich irgend eine Ventil/Klappenstellung. Dann dreht er zwar weiter hoch bis Max., aber ohne den Druck vom Turbolader und auch ohne das typische Zischen vom Turbolader.
Hat das irgend etwas mit dem Unterdrucksystem oder den Magnetventilen zu tun?
Ich wollte die Magnetventile prüfen, indem ich bei gestartetem Motor meinen Finger dran halte, um zu sehen ob Luft eingesaugt wird, nur weis ich nicht, wann die Magnetventile vom Steuergerät den Befehl bekommen zu öffnen, bzw zu schließen. Desweiteren weis ich nicht, welches Magnetventil für welche Steuerung zuständig ist.
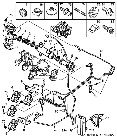
1. Im Anhang habe ich einen Schaltplan. Wenn mir jemand die Bezeichnungen numerisch auflisten könnte, wäre das schon mal eine große Hilfe.
2. Auf dem Schaltplan sind neben dreien der Ventile jeweils ein kleines Quadrat und neben einem Ventil ein X abgebildet. Es wäre gut, wenn mir zusätzlich jemand erklären könnte was das zu bedeuten hat.
3. Was ist das für ein Gerät, das vom Unterdruckschlauch (Nr.11 lt.Plan) angesteuert wird?
-
Dateianhänge
-

-
Jardin307
- Benzinsparer
- Beiträge: 358
- Registriert: So 10.07.11 14:18
- Postleitzahl: 7531
- Land: Oesterreich
Beitrag
von Jardin307 » Mi 16.09.15 19:23
Seid wann Zischt ein Turbolader ? Hast du vieleicht ein Blow off Ventil verbaut was du hörst ..
-
Chris870BD
- ADAC-Fan
- Beiträge: 504
- Registriert: Mo 16.06.08 19:00
- Postleitzahl: 6850
- Land: Oesterreich
- Wohnort: Vorarlberg/Österreich 2.sitz: Burgenland/Österreich
Beitrag
von Chris870BD » Mi 16.09.15 20:41
es gibt turbos die zischen. Bei den golf model hört man es schön.
So wie es aussieht ist die nummer 6 zuständig für den Turbo
-
gery80
- ATU-Tuner
- Beiträge: 56
- Registriert: Fr 24.09.10 18:20
- Postleitzahl: 1210
- Land: Oesterreich
- Wohnort: Wien 21
Beitrag
von gery80 » Mi 16.09.15 20:48
Hallo habe selber einen 307 und auch schon Probleme mit diese Ventile gehabt das für den Turbolader ist das ganz unterste sieht man sehr schlecht diese Ventile sind sehr empfindlich wegen der Nässe die sie über den kleinen Luftfilter der auf ihnen sitzt ansaugen einfach das Ventil tauschen und die Schläuche auf dichtheit überprüfen Ventil kostet so um die 30 Euro sind normale pirburg Ventile wie sie auch bei vw und vielen anderen eingebaut sind der Schlauch 11 führt auf die unterdruckdose vom lader
-
yusufsayydina
- Serien-Wagen-Fahrer
- Beiträge: 4
- Registriert: Mi 16.09.15 17:34
- Postleitzahl: 70435
- Land: Deutschland
Beitrag
von yusufsayydina » Do 17.09.15 22:30
Super danke für die Antworten. Die Turbolader haben doch alle dieses Typische Geräusch, das sich anhört wie ein Pfeifen. Morgen werde ich mal mit dem Mund die Schläuche ansaugen um zu sehen, ob die Membranen in den Unterdruckdosen dicht sind. Dann dachte ich mir das AGR mal still zu legen, um es als Fehlerquelle auszuschließen. Dann prüfe ich mit dem Finger, ob dieser Unterdruck Ausgleichsbehälter (Nr. 13) die Luft durchlässt und ob die Schläuche dicht sind und keine Verstopfung haben. Dann spritze ich etwas WD40 in die Magnetventile und mach die Schläuche richtig fest mit Kabelbinder wieder auf die Magnetventile. Dann schauen wir weiter. Hat noch jemand Tipps oder Verbesserungsvorschläge?
-
froolyk
- Strafzettelsammler
- Beiträge: 494
- Registriert: Fr 02.09.11 13:25
- Postleitzahl: 52146
- Land: Deutschland
Beitrag
von froolyk » Fr 18.09.15 08:37
Hi,
WD40 wird nicht viel helfen. Wenn die Ventile von innen vergammelt sind, bewegt sich da nicht mehr viel.
Das AGR kannst du einfach überprüfen, indem zu den Schlauch am AGR abziehst und mit einem Stopfen verschließt (damit der Unterdruck im System bleibt). Damit ist das AGR inaktiv.
Das Magnetventil für den Turbo (grauer Stecker) kann man überbrücken und feststellen, ob der Turbo noch geht. Aber nicht hoch drehen, sonst zerstörst du deinen Turbo!
Gebrauchte Ventile habe ich noch - die könnte ich dir gegen Portoerstattung schicken.
-
yusufsayydina
- Serien-Wagen-Fahrer
- Beiträge: 4
- Registriert: Mi 16.09.15 17:34
- Postleitzahl: 70435
- Land: Deutschland
Beitrag
von yusufsayydina » Fr 18.09.15 17:47
Hallo,
danke für die Hilfe. Und schön, dass Ihr meinen Sachverhalt nachvollziehen könnt. :-)
Ich habe heute das AGR still gelegt. Ich habe den Schlauch aber nicht auf der Seite des AGR abgezogen, weil ich da nicht ran komme, sondern auf der Seite des Magnetventils. Dort habe ich am Schlauch auch mal angesaugt und festgestellt, dass es keinen Gegendruck gibt. Ist das Normal? Meine Vermutung ist, dass entweder der schlauch einen Riss hat, oder sich vom AGR abgelöst hat, oder dass die Membrane vom AGR ein Loch hat. Da das Magnetventil für das AGR somit sowieso arbeitslos ist, habe ich es mit dem meiner Vermutung nach kaputten Magnetventil für die Steuerung der Unterdruckdose des Turboladers getauscht. Und das hat funktioniert. Der Wagen gibt jetzt wieder konstant die volle Leistung ab! Aber das AGR Problem bleibt...
2 Fragen habe ich jetzt noch.
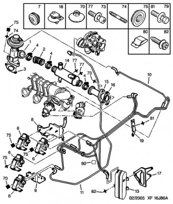
-Erste Frage: die Klappe zum Ladeluftkühler (Magnetventil mit einer in Rot markierten 1 laut beigefügter Skizze), die Drosselklappe (Magnetventil mit einer in Rot markierten 2 lt. beigefügter Skizze) und das AGR (Magnetventil mit einer in Rot markierten 3 lt. beigefügter Skizze) öffnen und schließen sich ja in Abhängigkeit zueinander, oder? Ich dachte mir, wenn ich jetzt nur das AGR still lege, dann kommt es da zu Irritationen bei der Luftversorgungs-und Abgassteuerung. Und da die Klappen ja ohne Unterdruck alle offen bleiben (korrigiert mich, wenn ich da falsch liege) habe ich nicht nur das AGR stillgelegt, sondern auch die Drosselklappe und die Klappe zum Ladeluftkühler. Ich bin jetzt ca. 10km im Stadtverkehr und 10km Landstraße gefahren und die Motorkontrollleuche bleibt aus. Was meint Ihr zu meinem Vorgehen?
- Zweite Frage: Warum hat das Magnetventil für den AGR eine andere Ersatzteilnummer wie das Magnetventil für die Unterdruckdose vom Turbo, wenn man es doch wie in meinem Fall mit Erfolg tauschen kann? Oder wird der Unterschied erst nach mehrern Betriebsstunden bemerkbar?
-
Dateianhänge
-

-
yusufsayydina
- Serien-Wagen-Fahrer
- Beiträge: 4
- Registriert: Mi 16.09.15 17:34
- Postleitzahl: 70435
- Land: Deutschland
Beitrag
von yusufsayydina » Mi 14.10.15 14:18
Hallo,
ich wollte euch nur informieren, dass ich die Klappe zum Ladeluftkühler (Magnetventil mit einer in Rot markierten 1 laut beigefügter Skizze) und die Drosselklappe (Magnetventil mit einer in Rot markierten 2 lt. beigefügter Skizze) wieder auf Funktion gestellt habe, weil die Motorkontrollleuchte angegangen ist. Jetzt ist nur noch das AGR still gelegt, aber das will ich auch wieder in Betrieb setzen, sobald ich ein funktionierendes Ersatzventil habe. Danke für euere Antworten.