Mal wieder Hinterachse :-/

Die wohl interessanteste Kategorie. Ihr habt Probleme mit Eurem Peugeot? Die Werkstatt weiss mal wieder nicht weiter? Das Handbuch gibt auch nichts mehr her? Na dann, stellt Eure Frage hier rein.
PEJOT

Re: Mal wieder Hinterachse :-/

Beitrag von PEJOT » So 10.09.17 11:17

Es gab werkmäßig nur einen Bolzen [517617], die "Reparateure" nehmen Bolzen die gerade verfügbar sind.

Benutzeravatar
obelix
Administrator
Beiträge: 19585
Registriert: Mi 21.03.01 00:00
Postleitzahl: 71640
Land: Deutschland
Wohnort: Ludwigsburg
Kontaktdaten:

Re: Mal wieder Hinterachse :-/

Beitrag von obelix » So 10.09.17 19:55

ccjlz hat geschrieben:Ich habe ja Scheibenbremsen auf den kürzeren Bolzen gehabt, von daher passt deine Aussage dazu nicht!?
Doch, passt schon. 205 und 309 hatten genau 2 Bolzengrössen. Den langen bei SBB, den kurzen bei TBB. Ist da was anderes zusammengesteckt worden, hat einer sich was zusammengefrickelt.

Gruss

Obelix
308SW, der aktuelle Alltagshobel: VF34H5FWC9S197117
Meine Oldtimer

Benutzeravatar
Kris
Urgestein
Beiträge: 16175
Registriert: Mi 21.03.01 00:00
Land: Deutschland

Re: Mal wieder Hinterachse :-/

Beitrag von Kris » Mo 11.09.17 08:40

obelix hat geschrieben:2 Bolzengrössen. Den langen bei SBB, den kurzen bei TBB. Ist da was anderes zusammengesteckt worden, hat einer sich was zusammengefrickelt.
genau so isses.
kurzer bolzen + scheibenbremse = nicht-werksseitige frickelei :daumenhoch:
the 3 things you can't fake in life: creativity. competence. erections.

PEJOT

Re: Mal wieder Hinterachse :-/

Beitrag von PEJOT » Mo 11.09.17 11:04

Leider weiss Peugeot nicht von verschiedenen Bolzen. Irgendeiner sollte die Leute mal aufklären, und Ihnen mitteilen,
daß sie Teile verbauen, von denen sie nichts wissen.

Benutzeravatar
Kris
Urgestein
Beiträge: 16175
Registriert: Mi 21.03.01 00:00
Land: Deutschland

Re: Mal wieder Hinterachse :-/

Beitrag von Kris » Mo 11.09.17 17:13

PEJOT hat geschrieben:Es gab werkmäßig nur einen Bolzen [517617], die "Reparateure" nehmen Bolzen die gerade verfügbar sind.
Leider weiss Peugeot nicht von verschiedenen Bolzen. Irgendeiner sollte die Leute mal aufklären, und Ihnen mitteilen,
daß sie Teile verbauen, von denen sie nichts wissen.
so richtig sattelfest bist du nicht, was teile und ihre zuordnung angeht :augenroll:
wir reden NICHT von den schwingarm-bolzen - wir reden von den bolzen, auf denen die radlager sitzen. und die gabs definitiv ab werk in 2x längen, eben je nach verbauter bremse.

dafür - und zu deiner ehrenrettung - gab es diese teile meines wissens nie als einzelnes ersatzteil, sondern immer nur zusammen mit der achsschwinge :daumenhoch:
the 3 things you can't fake in life: creativity. competence. erections.

PEJOT

Re: Mal wieder Hinterachse :-/

Beitrag von PEJOT » Di 12.09.17 08:29

Ja, da sass ich auf dem falschen Sattel, Asche auf mein Haupt und Rasierklingen in der Dauerwurst.......

Gruß
Jūrgen

Benutzeravatar
ccjlz
Kanaldeckelumfahrer
Beiträge: 156
Registriert: Fr 17.07.09 21:24
Postleitzahl: 37520
Land: Deutschland

Re: Mal wieder Hinterachse :-/

Beitrag von ccjlz » Sa 16.09.17 16:52

Jetzt noch zum Bolzen des Stoßdämpfers, gibt es den irgendwo zu kaufen bzw. wie nennt der sich für die Suche?
Ich denke mal der ist eingepresst, oder?
20170916_163959-1280x720.jpg
205 CTI Bj.92
205 GTI Griffe Bj.91

Benutzeravatar
Kris
Urgestein
Beiträge: 16175
Registriert: Mi 21.03.01 00:00
Land: Deutschland

Re: Mal wieder Hinterachse :-/

Beitrag von Kris » Sa 16.09.17 19:29

nee, der ist nicht eingepresst, meist aber reingerostet ...

im grunde ist das nur ne lange schraube mit schaft. dürfte jeder bessere schraubenladen liefern können.
the 3 things you can't fake in life: creativity. competence. erections.

Benutzeravatar
ccjlz
Kanaldeckelumfahrer
Beiträge: 156
Registriert: Fr 17.07.09 21:24
Postleitzahl: 37520
Land: Deutschland

Re: Mal wieder Hinterachse :-/

Beitrag von ccjlz » Sa 16.09.17 21:33

Ok. Bei mir ist wohl auch die Hülse des Stoßdämpfers mit der Schraube vereint.
Da muss ich mal mit der Flex oder Flamme dran. Die Schraube rausschlagen ging leider nicht.
205 CTI Bj.92
205 GTI Griffe Bj.91

Benutzeravatar
ccjlz
Kanaldeckelumfahrer
Beiträge: 156
Registriert: Fr 17.07.09 21:24
Postleitzahl: 37520
Land: Deutschland

Re: Mal wieder Hinterachse :-/

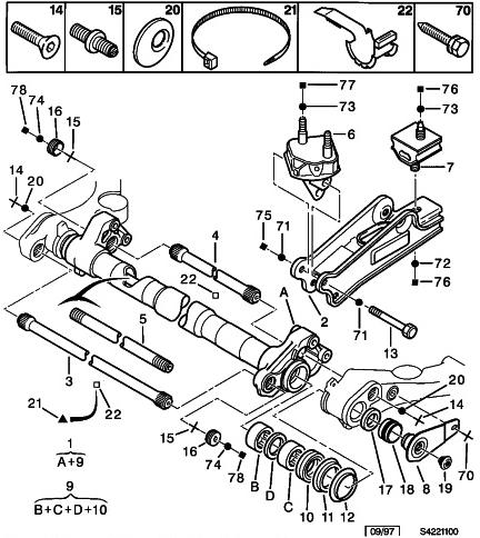
Beitrag von ccjlz » Mo 18.09.17 12:17

Hat noch jemand eine Stoßdämpfer- bzw. Achshalterung rumliegen? Pos. 2 auf dem Bild.
hinterachse1.jpg
205 CTI Bj.92
205 GTI Griffe Bj.91

Antworten