Kupplungswechsel

Die wohl interessanteste Kategorie. Ihr habt Probleme mit Eurem Peugeot? Die Werkstatt weiss mal wieder nicht weiter? Das Handbuch gibt auch nichts mehr her? Na dann, stellt Eure Frage hier rein.
Antworten
svea409
STVO-Fan
Beiträge: 7
Registriert: Do 03.02.11 07:05
Postleitzahl: 10365
Land: Deutschland

Kupplungswechsel

Beitrag von svea409 » Mo 21.03.11 08:14

Hallöchen!

Ich möchte mich heute wieder einmal an euch wenden vielleicht kann mir ja jemand helfen. Erst einmal kurz die Vorgeschichte. Habe mir im Nov 2010 einen gebrauchten Peugeot 406 Break Bj 06/97 mit 136 PS gekauft von einer Werkstatt. Die Kupplung wurde in der Werkstatt erneuert. Als ich nach einer Rechnung fragte meinte der Herr hat er nicht weil er ja der jenige war der diese gewechselt hat aber er gebe 1 Jahr Sachmängelhaftung. Nun fägt das Problem an. Nach drei Wochen Autobesitz ging die Kupplung kaputt (Ausrücklager). Ich brachte das Auto zu ihm es wurde rep. Nach nicht einmal sieben Wochen ist diese Kupplung wieder kaputt. Wollte das Auto aufgrund anderer Vorkommnisse nicht mehr reparieren lassen sondern vom Kauf zurücktreten. Habe mir eine Anwalt genommen. Dieser teilte mir mit das der Herr nochmal bereit wäre zu rep. was dann auch am Freitag letzter woche geschah. Nachdem das Auto abgeholt wurde und wir damit nach Hause gefahren sind blieb das Auto beim Rückwärtsgang einlegen auf einmal liegen. Ich konnte nicht mehr schalten. Der Knüppel konnte in alle Richtungen gelegt werden ohne das ich die Kupplung getreten habe mit Motor aus natürlich. Mir sagte man das es das Schaltgestänge sein kann. Nun meine Frage muß man beim Kupplungswechsel an das Schaltgestänge ran und wenn ja warum und was ist zu beachten. Bitte schnell um Antwort. Danke schön

Benutzeravatar
Floh406
ADAC-Fan
Beiträge: 517
Registriert: Mi 07.07.10 17:56
Postleitzahl: 86633
Land: Deutschland
Wohnort: Neuburg a. d. Donau

Re: Kupplungswechsel

Beitrag von Floh406 » Mo 21.03.11 19:07

Hallo Svea,

erstmal mein Beileid zu deinem unseglichen Fehlkauf :heul: , hoffentlich kannst Du bald wandeln. Das ist ja Betrug.

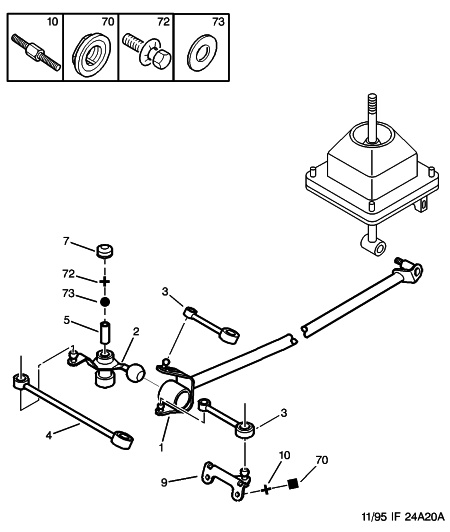
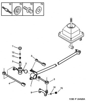
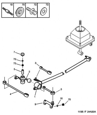
Aber zu der Kupplung. Um die Kupplung zu wechseln muss das Getriebe raus. Am Getriebe befindet sich die Betätigung durch deinen Schalthebel. Die Umlenkung dessen ist über drei so kleine Hebelchen realisiert. Das ist das Schaltgestänge. Und genau die halten zumeist nicht ewig. Vor allem wenn es die ersten sind, die sind nicht wirklich dafür ausgelegt, dass man sie ständig aus dem Kugelkopf reißt. Dann schlagen die allgemein gerne mal aus. Die beiden kleinen kosten glaub ich so um die 40 € zusammen und die größere 27 €, aber bitte nicht festnageln. Ist bei mir auch schon ein bißchen her. Theoretisch ist es also durchaus möglich, dass die Köpfe nach dreimal Kupplungsrumgepfusche und Nichtauswechseln der Stangen, weil "die sin doch noch guut!", völlig ausgenudelt sind und dann beim vielleicht harschen Einlegen eines Rückwärtsganges aus den Köpfen springen. Prinzip Toyota halt. Die neuen Stangen haben aber auch einen Entriegelungsmechanismus, der es ermöglicht, die Dinger schonender auszubauen. Lass dir auf jeden Fall die Altteile geben.

Gruß
Floh
BE3 Getriebe.jpg
Pos. 3 und 4
Ich liebe Französisch...😜
Bild

Antworten