Kraftstoffsystem Boxer 2.5l/79kW, Reperaturhandbuch

Die wohl interessanteste Kategorie. Ihr habt Probleme mit Eurem Peugeot? Die Werkstatt weiss mal wieder nicht weiter? Das Handbuch gibt auch nichts mehr her? Na dann, stellt Eure Frage hier rein.
Antworten
Phil03
Serien-Wagen-Fahrer
Beiträge: 3
Registriert: Sa 13.08.11 17:54
Land: Deutschland

Kraftstoffsystem Boxer 2.5l/79kW, Reperaturhandbuch

Beitrag von Phil03 » Sa 13.08.11 18:19

Hallo zusammen,
ich habe eine Peugot Boxer, 2,5l/79kW, Diesel, BJ 2002 und mit diesem guten Stück folgendes Problem.
Er ist etwas kraftstoffundicht und zwar am Wärmetauscher (ich denke zumindest, dass es einer ist), welcher über dem Getriebe am Motorblock sitzt und an welchen die Kraftstoffvorlaufleitung (vor dem Kraftstofffilter) angeschlossen ist. Am Ein- und Ausgang (Anschluss der Kraftstoffleitungen) sieht es für mich so aus, als ob dort ein Ventil oder ähnliches sitzt (zylinderförmiges Bauteil) welches nach unten mit einem Kunstoffstopfen verschlossen/ verschraubt ist. Genau dort ist es undicht.

Meine Fragen an Euch:
Kann man diese Stopfen entfernen und erneuern, abdichten?
Hat Jemand von Euch eine Skizze oder Zeichung über den Aufbau des Kraftstoffsystems, bzw. über diesen Wärmetauscher?
Ich möchte mir gerne ein Reperaturhandbuch für dieses Fahrzeug zulegen. Hat jemand von Euch evtl. eine Anleitung als Datei? Kann jemand ein Reperaturhandbuch empfehlen?

Vielen Dank für Eure Hilfe.

Gruß Phil

Benutzeravatar
Martin
Schattenparker
Beiträge: 6945
Registriert: Mi 21.03.01 00:00
Land: Deutschland
Wohnort: Wiege der Ruhrindustrie

Re: Kraftstoffsystem Boxer 2.5l/79kW, Reperaturhandbuch

Beitrag von Martin » Sa 13.08.11 18:36

Phil03 hat geschrieben:ich habe eine Peugot Boxer, 2,5l/79kW, Diesel, BJ 2002 und mit diesem guten Stück folgendes Problem.
Er ist etwas kraftstoffundicht und zwar am Wärmetauscher (ich denke zumindest, dass es einer ist), welcher über dem Getriebe am Motorblock sitzt und an welchen die Kraftstoffvorlaufleitung (vor dem Kraftstofffilter) angeschlossen ist. Am Ein- und Ausgang (Anschluss der Kraftstoffleitungen) sieht es für mich so aus, als ob dort ein Ventil oder ähnliches sitzt (zylinderförmiges Bauteil) welches nach unten mit einem Kunstoffstopfen verschlossen/ verschraubt ist. Genau dort ist es undicht.

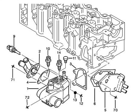
Hallo,

meinst Du das Bauteil Nr.5?
DJ5.JPG
Falls ja, dann ziehe die Kraftstoffschläuche ab und verbinde sie direkt wenn Du das Bauteil aus Kostengründen nicht erneuern möchtest... :D :D :D

Gruß Martin
Bild

Phil03
Serien-Wagen-Fahrer
Beiträge: 3
Registriert: Sa 13.08.11 17:54
Land: Deutschland

Re: Kraftstoffsystem Boxer 2.5l/79kW, Reperaturhandbuch

Beitrag von Phil03 » So 14.08.11 17:50

Hi Martin,
danke. Genau, das Bauteil 5 ist nach unten, an dem zylindrischen Teil des Gehäuses undicht. Dort sitzt doch ein temperaturabhängiges Umschaltventil drin, oder? Kann man dieses auch einzeln tauschen, oder muss man das ganze Bauteil (Nr.5) ersetzen?

Gruß Phil

Peugeot_tiger
Strafzettelsammler
Beiträge: 489
Registriert: Fr 27.11.09 19:49

Re: Kraftstoffsystem Boxer 2.5l/79kW, Reperaturhandbuch

Beitrag von Peugeot_tiger » So 14.08.11 17:54

Hi Phil03

Dieser Kraftstoffvorwärmer NR5 gibs nur KPL.ist eine Einhet

Gruss

PT

Phil03
Serien-Wagen-Fahrer
Beiträge: 3
Registriert: Sa 13.08.11 17:54
Land: Deutschland

Re: Kraftstoffsystem Boxer 2.5l/79kW, Reperaturhandbuch

Beitrag von Phil03 » Mo 15.08.11 20:53

Hallo,
vielen Dank für Eure rasche Hilfe!
Schade, dann muss ich mich wohl mal schlau machen was das Teil kostet. Bleibt mir wohl nichts anderes übrig.

Hab Ihr vielleicht einen Reperaturleitfaden für dieses Fahrzeug als Datei? Oder habt Ihr einen Tipp, welches Reperaturhandbuch etwas taugt?

Einen schönen Abend.

Gruß
Phil

Antworten