Schaltkulisse 406qp

Die wohl interessanteste Kategorie. Ihr habt Probleme mit Eurem Peugeot? Die Werkstatt weiss mal wieder nicht weiter? Das Handbuch gibt auch nichts mehr her? Na dann, stellt Eure Frage hier rein.
Antworten
306fan
Strafzettelsammler
Beiträge: 431
Registriert: So 30.05.10 12:14
Postleitzahl: 16248
Land: Deutschland
Wohnort: Oderberg

Schaltkulisse 406qp

Beitrag von 306fan » So 04.03.12 11:44

schönen sonntag euch allen,

ich habe nach dem ich mit dem 407er meines kumpels gefahren bin festgestellt das meine schaltkulisse echt viel spiel aufweißt :daumenrunter: :daumenrunter:
so dann habe ich einfach meinen bruder gefragt ob der mal den schaltknauf bewegen kann und ich habe am getriebe geguckt ob da sich was bewegt, also da wegt der sich nichts.
daher ist meine frage ob das was brint wenn man die schaltkulisse und alle dazugehörigen umlenkpkt tauschen kann, dass es wieder schön fest ist???
vlt kann auch mal einer in der servicebox schauen, was das preislich ca kosten würde?

Fahrzeug-Identifizierungsnummer (FIN/VIN): VF38CRFNA81253362

vielen dank euer 306fan

Benutzeravatar
Floh406
ADAC-Fan
Beiträge: 517
Registriert: Mi 07.07.10 17:56
Postleitzahl: 86633
Land: Deutschland
Wohnort: Neuburg a. d. Donau

Re: Schaltkulisse 406qp

Beitrag von Floh406 » So 04.03.12 13:46

Moin,

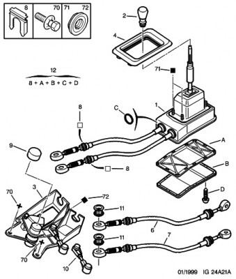
hab grad mal geschaut, du hast die Version mit den Schaltseilen. Ich würde mal versuchen die Seile 6 und 7 zu tauschen mit den dazugehörigen Kugelgelenken 11. Könnte mir vorstellen, dass die ziemlich ausgeschlagen sind. Vielleicht reicht es sogar, wenn du nur die austauscht und die Seile mal schön mit Silikonspray von innen behandelst. Ansonsten käme noch die kleine Stange 10 in Frage.
Schaltbetätigung.jpg
KABELZUG lang 2444 Q8 92,94€
KABELZUG kurz 2444 Q9 91,84€

2x KUGELGELENK 2436 46 10,07€

GESTAENGE F SCH 2452 84 8,90€

Gruß
Floh
Ich liebe Französisch...😜
Bild

306fan
Strafzettelsammler
Beiträge: 431
Registriert: So 30.05.10 12:14
Postleitzahl: 16248
Land: Deutschland
Wohnort: Oderberg

Re: Schaltkulisse 406qp

Beitrag von 306fan » So 04.03.12 15:09

ok und wie leicht lässt sich das alles wechseln??
sieht ja von dem bildchen her aus wie gesteckt oder gepresst, vlt kann mir da einer auch einen kleinen tipp geben
da die schaltseile ja doch recht teuer sind :traurig:

306fan
Strafzettelsammler
Beiträge: 431
Registriert: So 30.05.10 12:14
Postleitzahl: 16248
Land: Deutschland
Wohnort: Oderberg

Re: Schaltkulisse 406qp

Beitrag von 306fan » Sa 17.03.12 17:36

so habe mir jetzt die teile besorgt(kugelgelenk und gestänge)
das gestänge ließ sich echt leicht wechseln aber die kugelgelenke im schaltseile vorne ist sowas von fest habe keine idee wie ich das aus der aufnahme drücken kann also von der aufnahme habe ich es abbekommen nur nicht aus dem seil raus?

itto
Serien-Wagen-Fahrer
Beiträge: 2
Registriert: Do 25.12.14 21:14
Postleitzahl: 5400
Land: Schweiz

Re: Schaltkulisse 406 Coupe, V6

Beitrag von itto » Do 25.12.14 21:34

Hallo Miteinander

Ich bin neu hier und auch gleich in der Not.
Bei meinem schönen & tollen Peugeot 406 Coupe, 2001, V6, 207 PS mit 245 TKm, Handschaltung, ist die Schaltkulisse locker. Dies hat der CH TÜV bei der Inspektion von unter dem Fahrzeug festgestellt. So schlimm wäre dies nicht wirklich, ABER das Teil 2400P4 ist bei Peugeot nicht mehr zu haben. Auch x Garagen, eBay und x Abbrüche die ich kontaktiert habe können nicht helfen. Ich denke mit dem wechsel von ein paar Büchsen etc. wäre dies getan, da wagt sich niemand ran und es gäbe die Ersatzteile auch nicht mehr.

Ich selber könnte schon Schrauben, habe aber weder das Werkzeug noch Hebebühnen noch die Zeit.

Kann mir hier jemand einen Tipp geben wo ich so eine Schaltkullisse- und Seile beschaffen kann? Ich mag meinen lieb gewonnenen und super schönen 406 8c nicht wegen so was auf den Schrottplatz stellen.

Besten Dank für Eure Hilfe

Grüsse aus der Schweiz und frohe Festtage
Otti
Zuletzt geändert von itto am So 28.12.14 15:46, insgesamt 1-mal geändert.

306fan
Strafzettelsammler
Beiträge: 431
Registriert: So 30.05.10 12:14
Postleitzahl: 16248
Land: Deutschland
Wohnort: Oderberg

Re: Schaltkulisse 406qp

Beitrag von 306fan » Fr 26.12.14 01:46

Ich hab bei meinem qp auch die kleine stange und die buchsen der beiden seile am getriebe gewechselt, einfach ausbohren. Bei mir hat sich aber keine veränderung des spiels von der kulisse ergeben. Da mir ganze sache auch die fast 200€ nicht wert sind bleibts jetzt leider so:(

itto
Serien-Wagen-Fahrer
Beiträge: 2
Registriert: Do 25.12.14 21:14
Postleitzahl: 5400
Land: Schweiz

Re: Schaltkulisse 406qp

Beitrag von itto » So 28.12.14 15:56

Ich denke auch, dass es mit den Schaltseilen und den Buchsen, P6,7,10,11 (noch) nicht getan ist. Ich habe aber noch keine detaillierte Zeichnung gefunden, denke aber, dass es beim Schalthebel am unteren Ende noch so eine Lagerung des Schalthebels gibt und ich denke dieses Teil ist es was hinüber, sprich ausgeschlagen, ist.

Meiner schaltet noch gut, (ok ok, der Schalthebel ist wie ein Suppenlöffel, im Suppentopf, aber die Gänge gehen gut und richtig rein) und ich würde ja nichts ändern, ABER der TÜV ist da anderer Meinung.

Die Peugeot Werkstätten in DE & CH spielen die ratlosen und kommen mit der 10 Jahreskarten von Peugeot :wall_banging:

Antworten