Hallo alle,
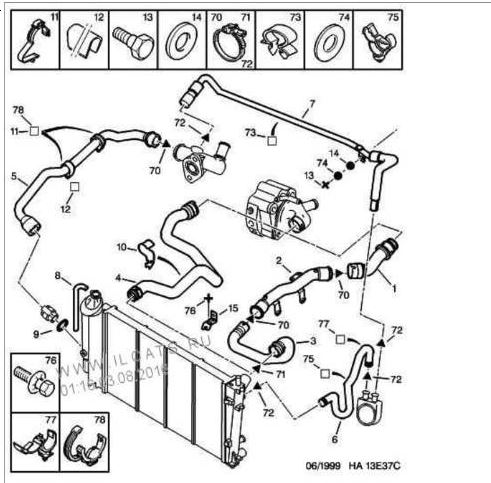
bei meinem 306 Cab ist schon wieder etwas defekt. Diesesmal ist es ein Rohr aus dem Kühlkreislauf, das durchgerottet ist.
Es soll sich um die TN: 1307 PN handeln.
Hat jemand eine Idee, wo ich noch suchen kann?
Mit Bild wäre super, weil ich sonst nicht weiss, ob es wirklich das defekte Teil ist.
Es handelt sich um ein 306 Cabrio 2.0 16V Automatik (AL4) mit Klima.
Service