Die wohl interessanteste Kategorie. Ihr habt Probleme mit Eurem Peugeot? Die Werkstatt weiss mal wieder nicht weiter? Das Handbuch gibt auch nichts mehr her? Na dann, stellt Eure Frage hier rein.
-
mellowyellow
- ATU-Tuner
- Beiträge: 67
- Registriert: Sa 12.12.20 13:06
- Postleitzahl: 82205
- Land: Deutschland
Beitrag
von mellowyellow » Fr 01.01.21 22:41
Guten Tag!
Weiß jemand, ab welchem Baujahr das 406 Coupe mit dem Motor XU10J4R 2.0 16VEinspritzer
einen Klopfsensor hatte? Mein Auto hat da nur ein leeres Kabel...
Danke!

-
Emma65
- ADAC-Fan
- Beiträge: 571
- Registriert: Mi 08.07.20 17:22
- Land: Deutschland
Beitrag
von Emma65 » Sa 02.01.21 15:45
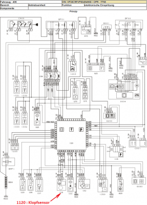
3 poliger grüner Stecker ist der Klopfsensor. Laut Deiner Fahrgestell Nr. ist der auch verbaut bei Dir.
-
Dateianhänge
-

-

-

Wer billig schraubt, schraubt 2 mal.
-
mellowyellow
- ATU-Tuner
- Beiträge: 67
- Registriert: Sa 12.12.20 13:06
- Postleitzahl: 82205
- Land: Deutschland
Beitrag
von mellowyellow » Sa 02.01.21 16:26
Wow, vielen Dank, emma65. Sie haben eine beeindruckende Software. Dann muss ich mich mal auf die Suche machen, wo sich der Klopfsensor versteckt, ich konnte ihn bisher nicht aufspüren. Daher dachte ich, das einpolige, rote Kabel mit dem Stecker, das bei mir so unnütz herumhängt, wäre der Anschluss des Klopfsensors. Nochmals vielen Dank, ich werde morgen gleich suchen. Ein gutes neues Jahr!
rainer
-
mellowyellow
- ATU-Tuner
- Beiträge: 67
- Registriert: Sa 12.12.20 13:06
- Postleitzahl: 82205
- Land: Deutschland
Beitrag
von mellowyellow » Sa 02.01.21 16:41
Jetzt muss ich mal ans Entziffern gehen: Bitte mich zu korrigieren, wenn ich Unsinn schreibe:
Auf dem obersten Bild sind Stecker mit 2V 3V 4V usw bezeichnet, das bedeutet wohl 2polig 3polig 4polig usw.
Französisch ist nicht meine Stärke, wofür steht das V?
Dann sind da noch die Endungen
VE (vert=grün?),
NR (noir=schwarz?),
MR (marron=braun?),
GR (gris=grau?)
BA (blanc=weiß?)
und MOT (???)
Sind das die Farben der Steckverbinder?
-
Rolf-CH
- Politessen-Verehrer
- Beiträge: 1336
- Registriert: Mo 22.02.10 21:25
- Land: Schweiz
Beitrag
von Rolf-CH » Sa 02.01.21 17:47
V bedeutet die Anzahl.
Also 4V bedeutet 4 poliger Stecker.
-
Emma65
- ADAC-Fan
- Beiträge: 571
- Registriert: Mi 08.07.20 17:22
- Land: Deutschland
Beitrag
von Emma65 » Sa 02.01.21 18:53
Beispiele siehe Anhang:
-
Dateianhänge
-

Wer billig schraubt, schraubt 2 mal.
-
simon84
- Lenkradbeißer
- Beiträge: 245
- Registriert: Fr 11.08.17 21:55
- Postleitzahl: 80331
- Land: Deutschland
Beitrag
von simon84 » Sa 02.01.21 21:03
Mot kann auch für Motor stehen
V bedeutet voie wortwörtlich « Wege » im weiteren Sinne übersetzt man das im Elektrik Bereich mit polig
Also 4V kann entweder 4 Polige Buchse / Stecker bedeuten oder 4. Pin
Meist wird der Pin eines mehrpoligen Steckers dann aber so geschrieben 4/4 also 4 von 4
-
Emma65
- ADAC-Fan
- Beiträge: 571
- Registriert: Mi 08.07.20 17:22
- Land: Deutschland
Beitrag
von Emma65 » Sa 02.01.21 21:42
FSC 20 MOT ist die Bezeichnung Motorkabelbaum
Wer billig schraubt, schraubt 2 mal.
-
mellowyellow
- ATU-Tuner
- Beiträge: 67
- Registriert: Sa 12.12.20 13:06
- Postleitzahl: 82205
- Land: Deutschland
Beitrag
von mellowyellow » Sa 02.01.21 22:18
Vielen Dank!
Der einsame ungenutzte Stecker auf meinem Foto müsste also demnach 1V BE heißen...wozu der wohl da ist?
-
406 D
- Spätzünder
- Beiträge: 1668
- Registriert: Di 11.11.03 00:00
- Postleitzahl: 26632
- Land: Deutschland
- Wohnort: ihlow
Beitrag
von 406 D » Mo 04.01.21 12:32
mellowyellow hat geschrieben: ↑Sa 02.01.21 22:18
wozu der wohl da ist?
moin,
kann es sein das der sensor mit der gasanlage zu tun hat?
ich meine blau ist ein temperatursensor.
wenn der nur 1 kabel hat geht die messung wohl gegen masse.
bei mir finde ich sowas nicht:
andreas